磁力联轴器结构设计与价格
发表时间:2017年06月09日浏览量:10451
磁力联轴器属非接触式联轴器,,它一般由内外两个磁体设计而成,中间由隔离罩将两个磁体分开,内磁体与被传动件相连,外磁体与动力件相连。磁力传动联轴器除了具有弹性联轴器缓冲吸振的功能外,其最大的特点在于它打破传统联轴器的结构形式,采用全新的磁耦合原理,实现主动轴与从动轴之间不通过直接接触便能进行力与力矩的传递,并可将动密封化为静密封,实现零泄漏。因此它广泛应用于对泄漏有特殊要求的场合。磁力联轴器的型号规格也影响着磁力联轴器的价格,一般的常规的磁力联轴器价格在120元左右,成对销售,较大的磁力联轴器价格在165元。
磁滞联轴器的扭矩计算方式:计算扭矩Tc可用下式求出:Tc=KT T=9550×Pw/n=7020×PH/n 式中T=理论扭矩N.mK---工作情况系数,通常1﹤K﹤5。Pw ---驱动功率;Kw; PH---驱动功率:马力 n----转速rpm
磁力联轴器厂家
welcome彩神 北京磁运达厂家主要致力于钕铁硼磁性产品的生产与销售,厂家专业于磁力传动产品的设计研发和生产。公司有着先进的生产设备及技术,产品主要市场为大陆地区、台湾及日韩。目前,公司设有苏州办事处和东莞办事处用来服务华东地区和华南地区。
welcome彩神地址:北京市林河开发区顺仁路54号
电话: 186 0124 2536
联系人:张经理
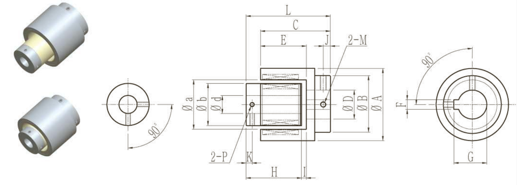
联轴器内外磁体设计尺寸图

| 型号 | ΦA | ΦB | C | ΦD | Φa | Φb | Φd | E | F | G | H | I | J | K | L | M | P | 扭矩N.m |
| CI045 | 45 | 38 | 50 | 19 | 33 | 27 | 12 | 32 | 6 | 21.8 | 38 | 4 | 5 | 4 | 60 | M4 | M3 | 2 |
| CI060 | 60 | 47 | 58 | 24 | 43 | 35 | 15 | 38 | 8 | 27.3 | 46 | 4 | 6 | 5 | 70 | M5 | M4 | 5.4 |
| CI080 | 80 | 58 | 65 | 28 | 58 | 48 | 20 | 40 | 8 | 31.3 | 49.5 | 5.5 | 7 | 6 | 80 | M6 | M5 | 11.5 |
| CI100 | 100 | 70 | 100 | 35 | 72 | 58 | 25 | 72 | 10 | 38.3 | 83 | 6 | 8.5 | 7 | 117 | M8 | M6 | 43.8 |
| CI120 | 120 | 70 | 105 | 35 | 86 | 70 | 30 | 72 | 10 | 38.3 | 86 | 6 | 8.5 | 7 | 125 | M8 | M8 | 84 |
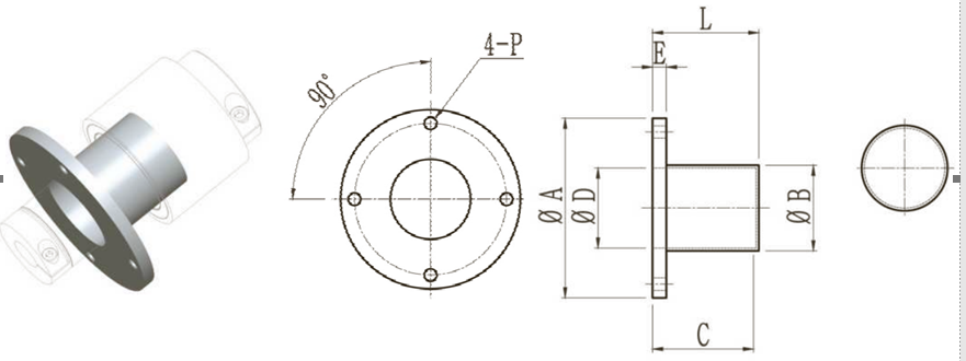
联轴器隔离罩设计

| 型号 | ΦA | ΦB | C | ΦD | E | L | P |
| 配用CI045 | 65 | 31 | 37.5 | 29 | 5 | 38.5 | Φ4.5/P.C.D 55 |
| 配用CI060 | 90 | 40 | 46.5 | 38 | 6 | 47.5 | Φ5.5/P.C.D 77 |
| 配用CI080 | 115 | 55 | 49 | 51 | 8 | 51 | Φ6.6/P.C.D 99 |
| 配用CI100 | 142 | 68 | 84 | 62 | 10 | 84 | Φ8.6/P.C.D 122 |
| 配用CI120 | 165 | 82 | 86 | 74 | 10 | 88 | Φ8.6/P.C.D 145 |
以上标准品的使用温度为80度,可以定做180度及300度,可以按客户要求进行定做。


