磁力联轴器厂家
发表时间:2017年06月09日浏览量:10184

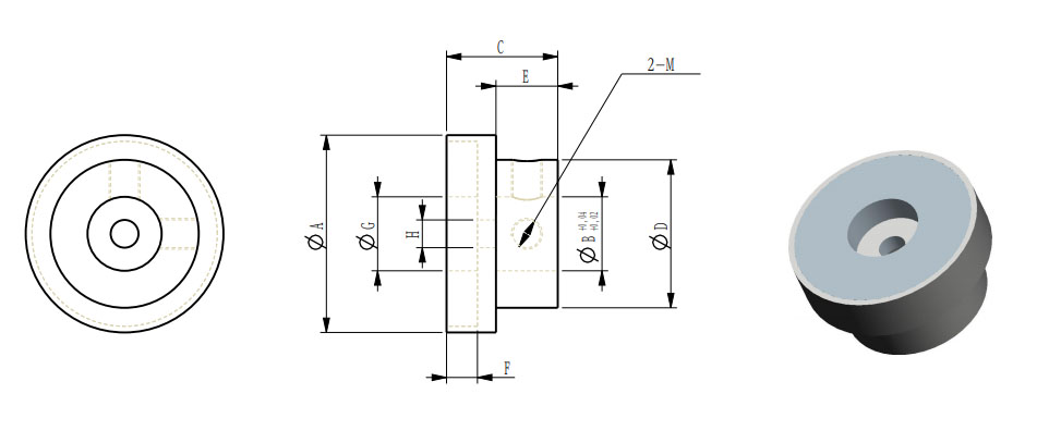
| 型号 | 外径A | 可选内孔B | 高度C | D | E | F | G | H | M | 传动扭力N.m | |
| 间隙1mm | 间隙5mm | ||||||||||
| CDS12-B | 12 | 4、5、6 | 16 | 12 | -- | -- | -- | -- | M3 | 0.05 | -- |
| CDS24-B | 24 | 6、8、10 | 18 | 18 | 10 | 5 | 6 | 3.2 | M4 | 0.42 | 0.04 |
| CDS28-B | 28 | 6、8、10 | 18 | 20 | 10 | 5 | 10 | 4.2 | M4 | 0.75 | 0.12 |
| CDS32-B | 32 | 8、10、12 | 18 | 24 | 10 | 5 | 12 | 4.2 | M5 | 1.95 | 0.32 |
| CDS38-B | 38 | 8、10、12、15 | 18 | 28 | 10 | 5 | 15 | 5.2 | M5 | 2.98 | 0.82 |
| CDS43-B | 43 | 12、15、20 | 20 | 30 | 12 | 5 | 15 | 5.2 | M5 | 3.8 | 1.2 |
| CDS50-B | 50 | 12、15、20 | 22 | 34 | 13 | 6 | 20 | 5.5 | M5 | 4.2 | 1.5 |
| CDS63-B | 63 | 15、18、20、25 | 25 | 36 | 15 | 6 | 26 | 5.5 | M5 | 11 | 4.5 |
| CDS68-B | 68 | 15、18、20、25 | 30 | 40 | 18 | 8 | 30 | 6.2 | M5 | 16.2 | 7.8 |
| CDS78-B | 78 | 18、20、25、30 | 32 | 42 | 18 | 10 | 33 | 6.2 | M5 | 18.5 | 10 |
以上标准产品不带键槽,如果加键槽型号后面加K。例如CDS32-10K,表示外径32,内孔10,带键槽。
可以根据客户的传动扭矩、空间尺寸、使用温度等可以进行定做。
磁力联轴器厂家
北京磁运达厂家专业于磁力传动产品(磁力轮、磁齿轮、磁力联轴器)的研发和生产厂家,公司有着先进的生产设备及技术,产品主要出口市场为大陆地区、台湾及日韩。目前,公司设有苏州办事处(苏州市工业园区唯亭镇,联系人-魏经理 电话:177 1515 7172)和 东莞办事处(东莞高明万江区,联系人- 高经理 电话:13021982233)用来服务华东地区和华南地区。
联系人:张经理
联系电话:186 0124 2536
地址:北京市林河开发区顺仁路54号


