磁力轮平行传动
发表时间:2017年06月09日浏览量:9786


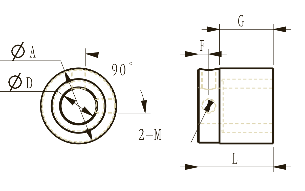
| 型号 | A | D | L | G | F | M | 磁极 | 间隙1mm时扭矩 |
| CJ4510P-□ | 45 | 20、15、10 | 34 | 26 | 4 | M5 | 10P | 2.2N.m |
| CJ3512P-□ | 35 | 20、15、12、10 | 32 | 21.5 | 5.25 | M5 | 12P | 0.8N.m |
| CJ3010P-□ | 30 | 15、12、10、8 | 25 | 18 | 3.5 | M4 | 10P | 0.32N.m |
| CJ2618P-□ | 26 | 15、12、10、8 | 21 | 14 | 3.5 | M4 | 18P | 0.21N.m |
| CJ2218P-□ | 22 | 12、10、8 | 18 | 12 | 3 | M4 | 18P | 0.13N.m |
| CJ2106P-□ | 21 | 12、10、8 | 21 | 15 | 3 | M3 | 6P | 0.09N.m |
| CJ1612P-□ | 16 | 5、6、8 | 13 | 8 | 2.5 | M2.5 | 12P | 0.04N.m |
平行传动磁力轮,是两轴承平行状,是比较常见的一种非接触传动方式。
welcome彩神
目前我公司的平行传动的磁力轮主要以烧结为主,也可以根据客户进行定做。


