黑色环氧磁力轮
发表时间:2017年06月09日浏览量:10163


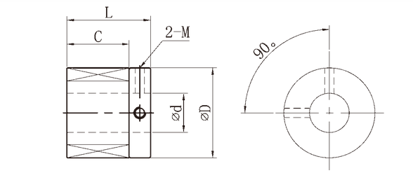
| 型 号 | D | 磁级 | d | C | L | M | 间隙1mm时传动扭矩 |
| CM4212P-□AE | 42 | 12 | 15 20 | 21 | 29 | M5 | 0.3N.m |
| CM3508P-□AE | 35 | 8 | 15 20 | 21.5 | 29 | M5 | 0.27N.m |
| CM3208P-□AE | 32 | 8 | 20 15 10 | 20 | 28 | M4 | 0.2N.m |
| CM2608P-□AE | 26 | 8 | 15 12 10 | 14 | 21 | M4 | 0.12N.m |
| CM2106P-□AE | 21 | 6 | 12、10、8 | 15 | 21 | M4 | 0.11N.m |
| CM2108P-□AE | 21 | 8 | 12、10、8 | 15 | 21 | M4 | 0.07N.m |
| CM2106PL-□AE | 21 | 6 | 10 | 30 | 36 | M4 | 0.15N.m |
型号说明 系列 外径(D) 磁极数 L(加长)-内径(d) 支架 表面-CP(夹紧)
型号举例 CM粘接系列 35 08P 无 20 A E 无
CM3508P-20PE表示外径为35 8个磁极 标准 内径20 铝支架 磁环表面电泳
本产可以加工定做夹紧固定,可以根据客户的要求进行加工定做做各种磁力轮。


